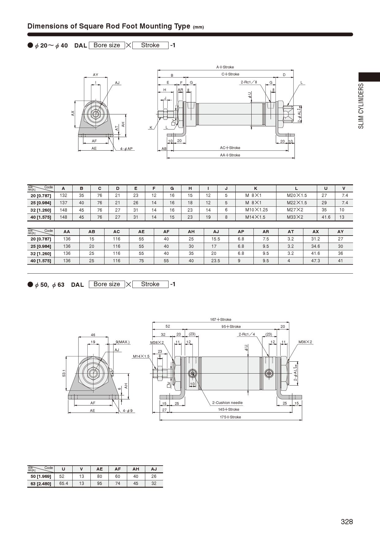
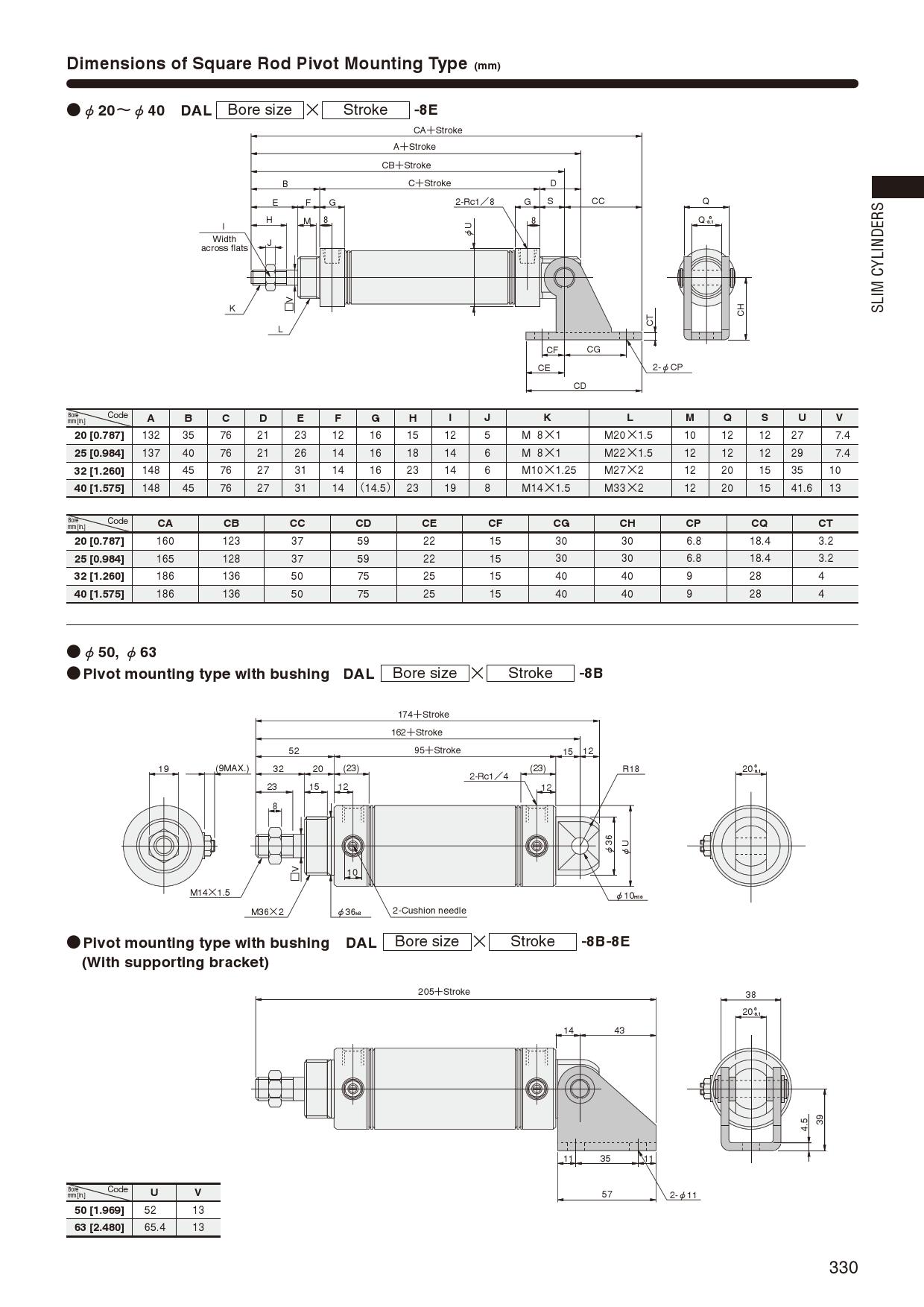
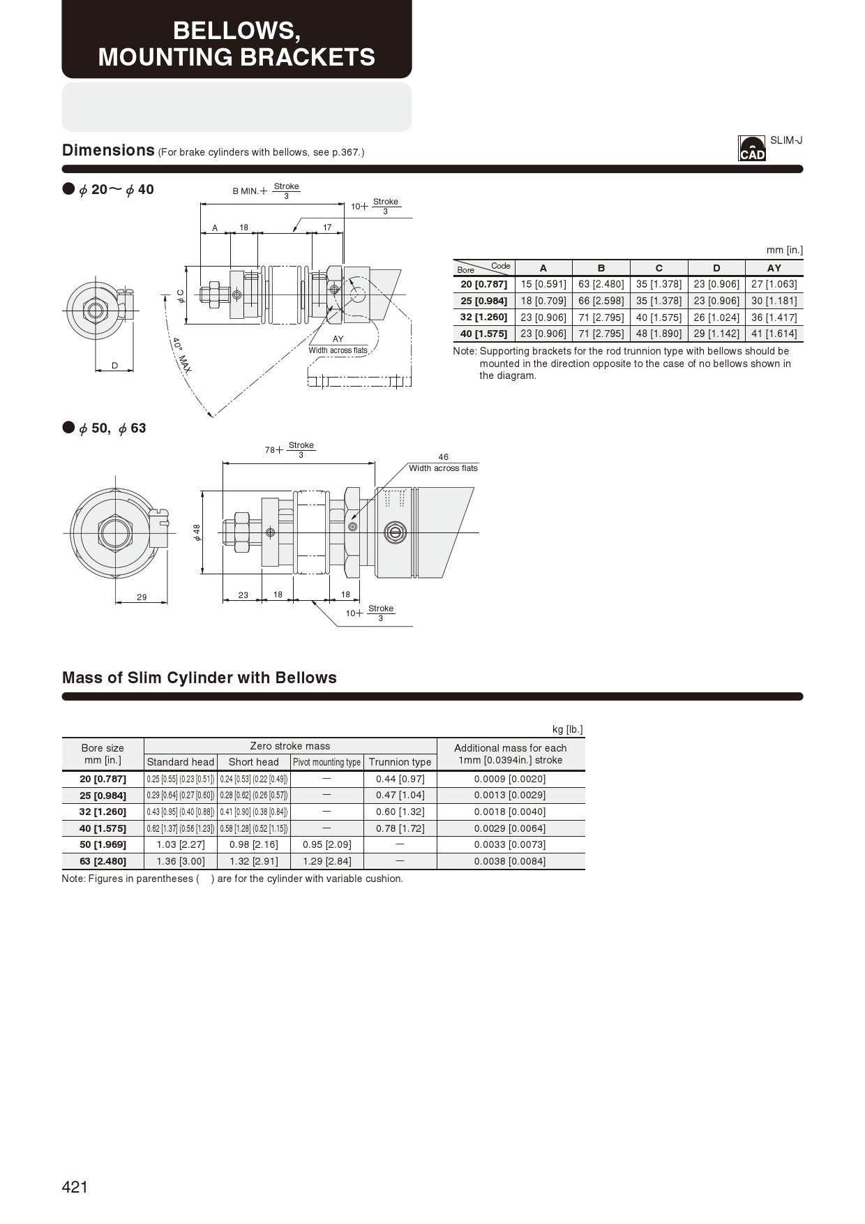
Slim cylinder,DAL,square rod,non-rotation,rotation-less
  • Catalog
  • Spec / Format
  •  
  •  
CAD Download