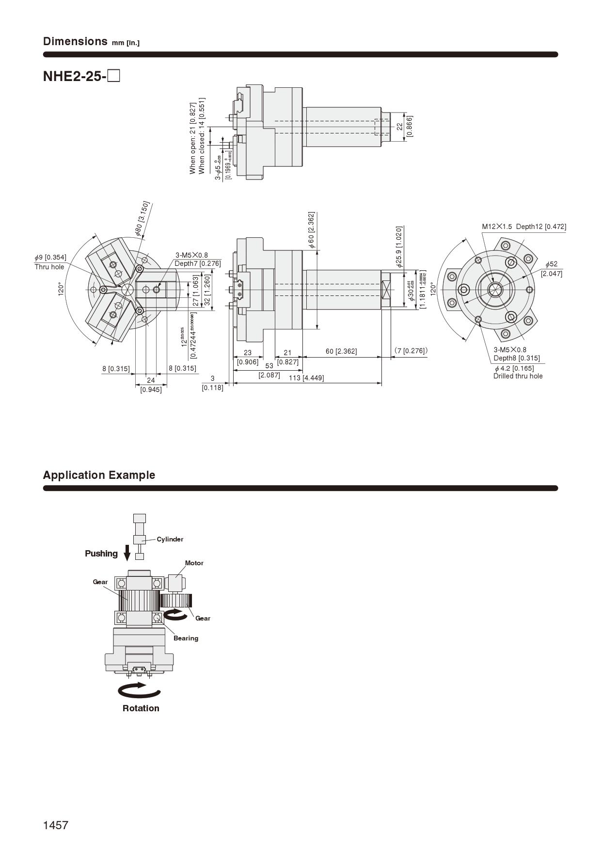
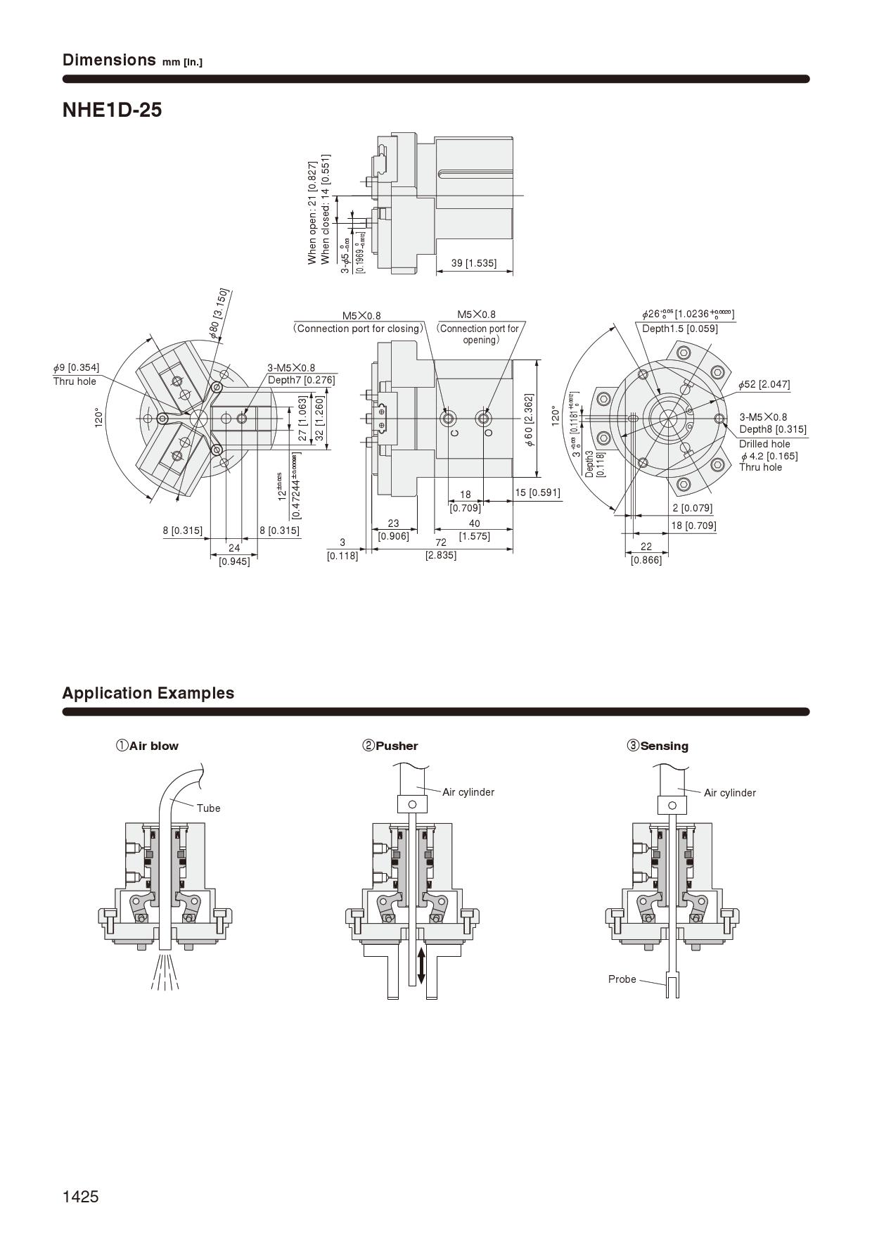
3-finger hand,NHE1,NHE2,chuck,hand,3-finger chuck
  • Catalog
  •  
  •  
  •  
3-finger hand with linear guide
CAD Download