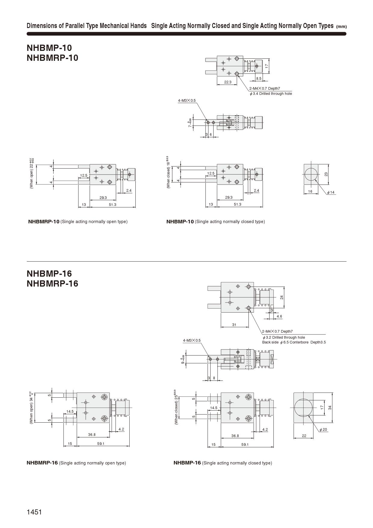
Mechanical hand,NHBMRP,chuck,hand
  • Catalog
  • Spec / Format
  •  
  •  
Single acting normally open
CAD Download