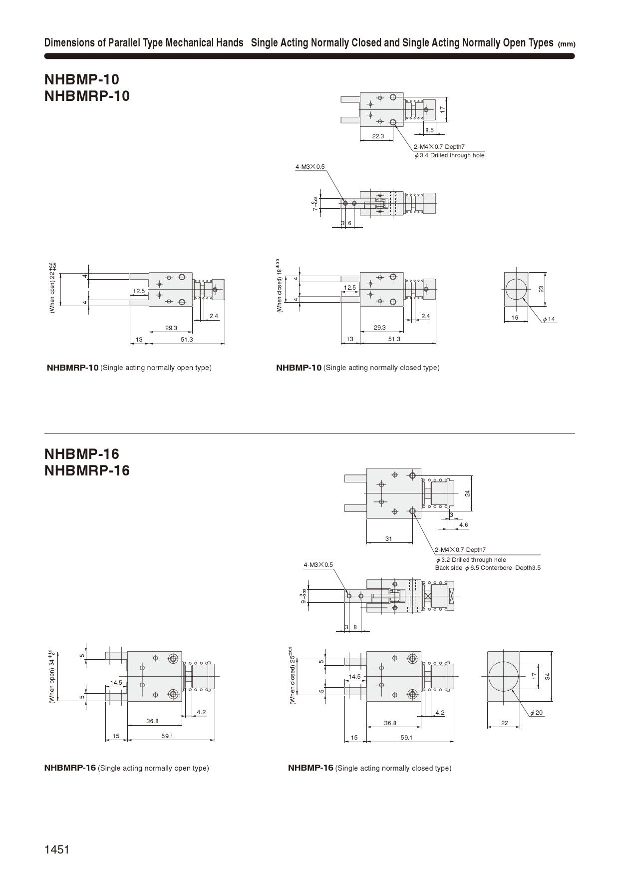
Mechanical hand,NHBMP,chuck,hand
  • Catalog
  • Spec / Format
  •  
  •  
Single acting normally closed
CAD Download