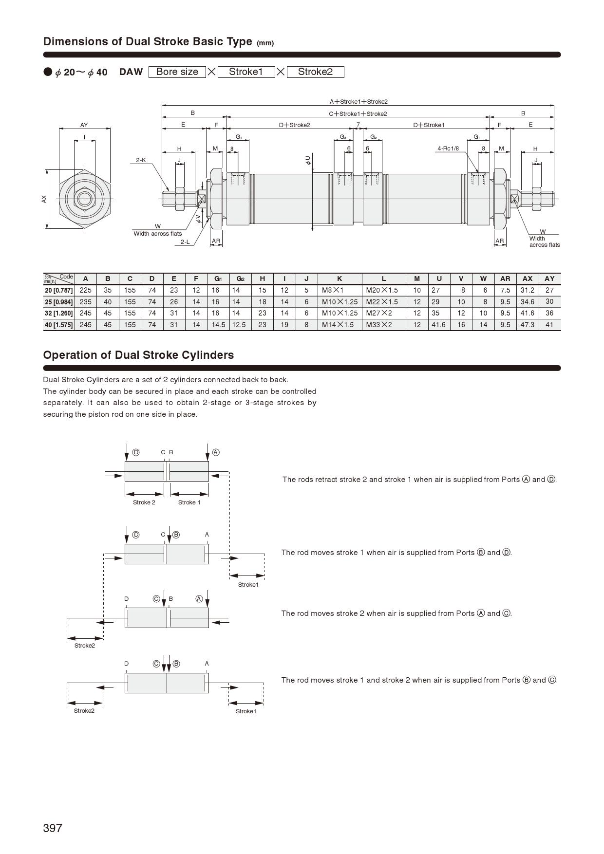
Slim cylinder,DAW,dual
  • Catalog
  • Spec / Format
  •  
  •  
CAD Download