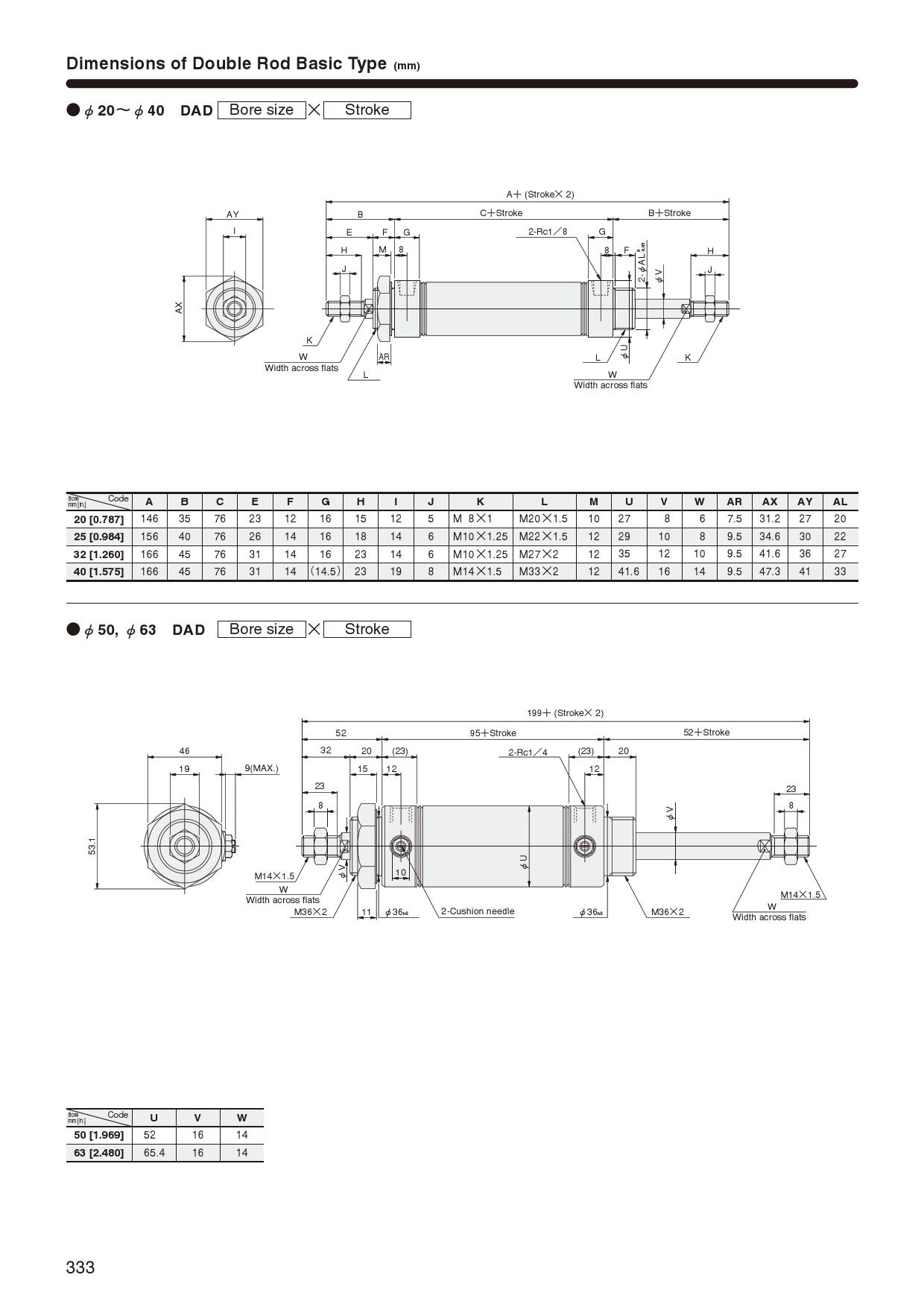
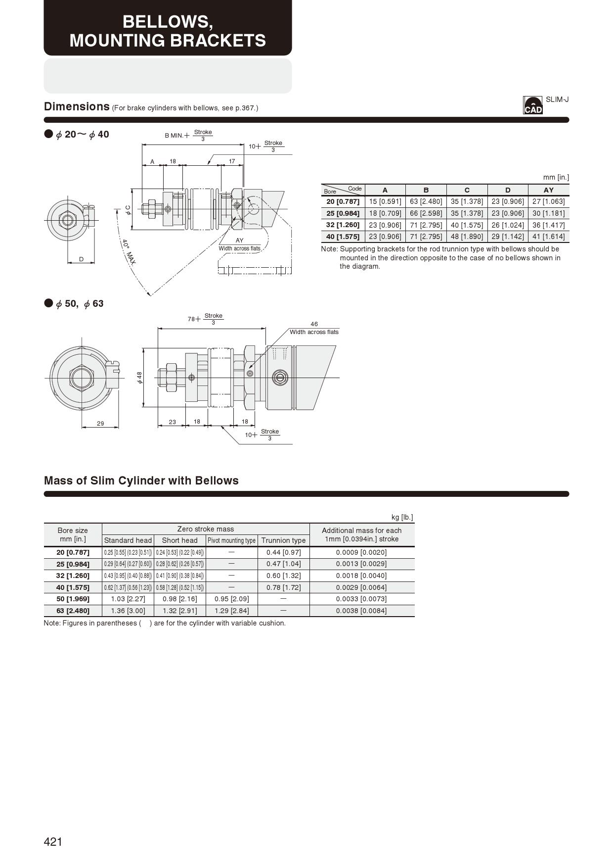
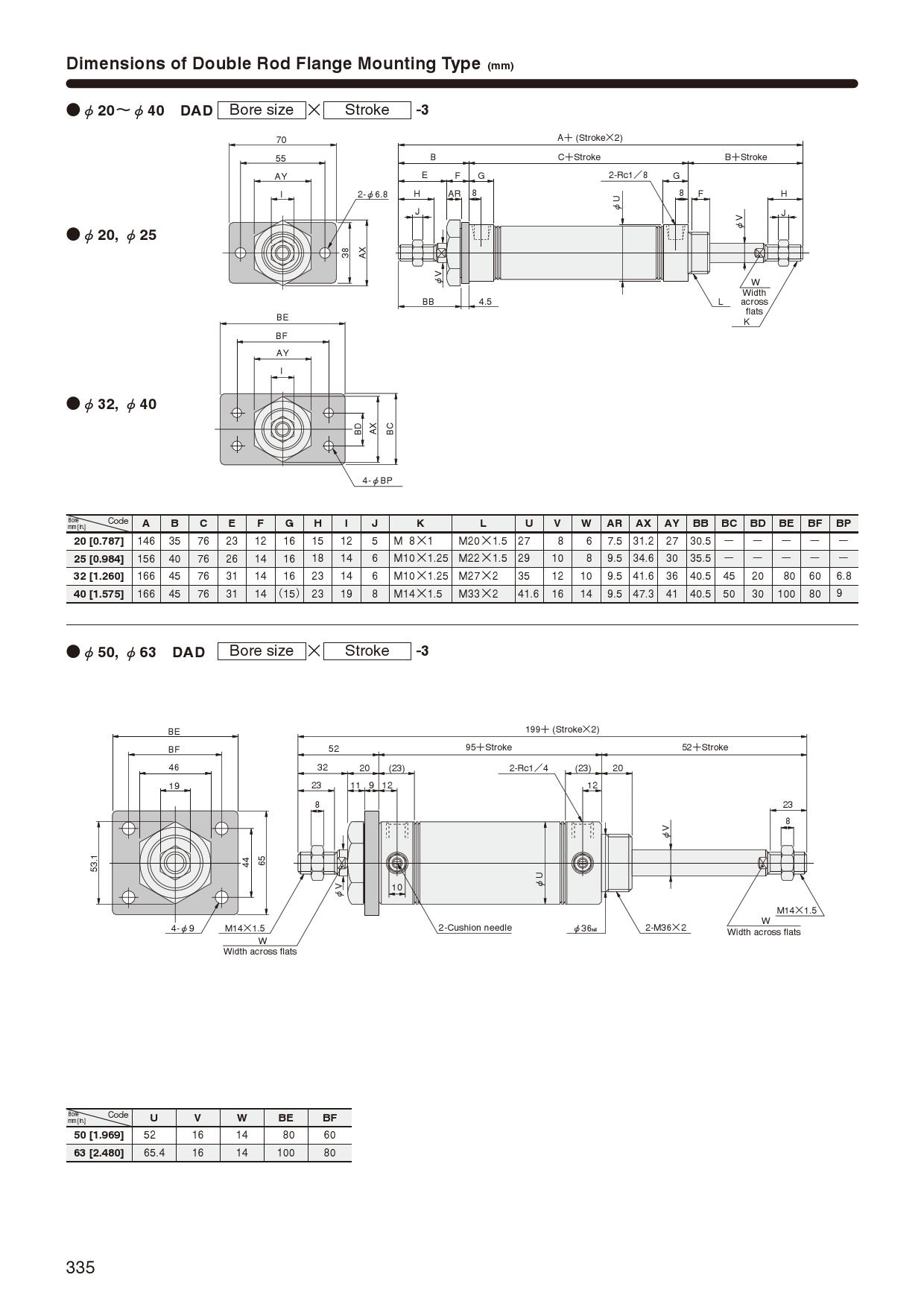
Slim cylinder,DAD,double rod,double rod
  • Catalog
  • Spec / Format
  •  
  •  
CAD Download