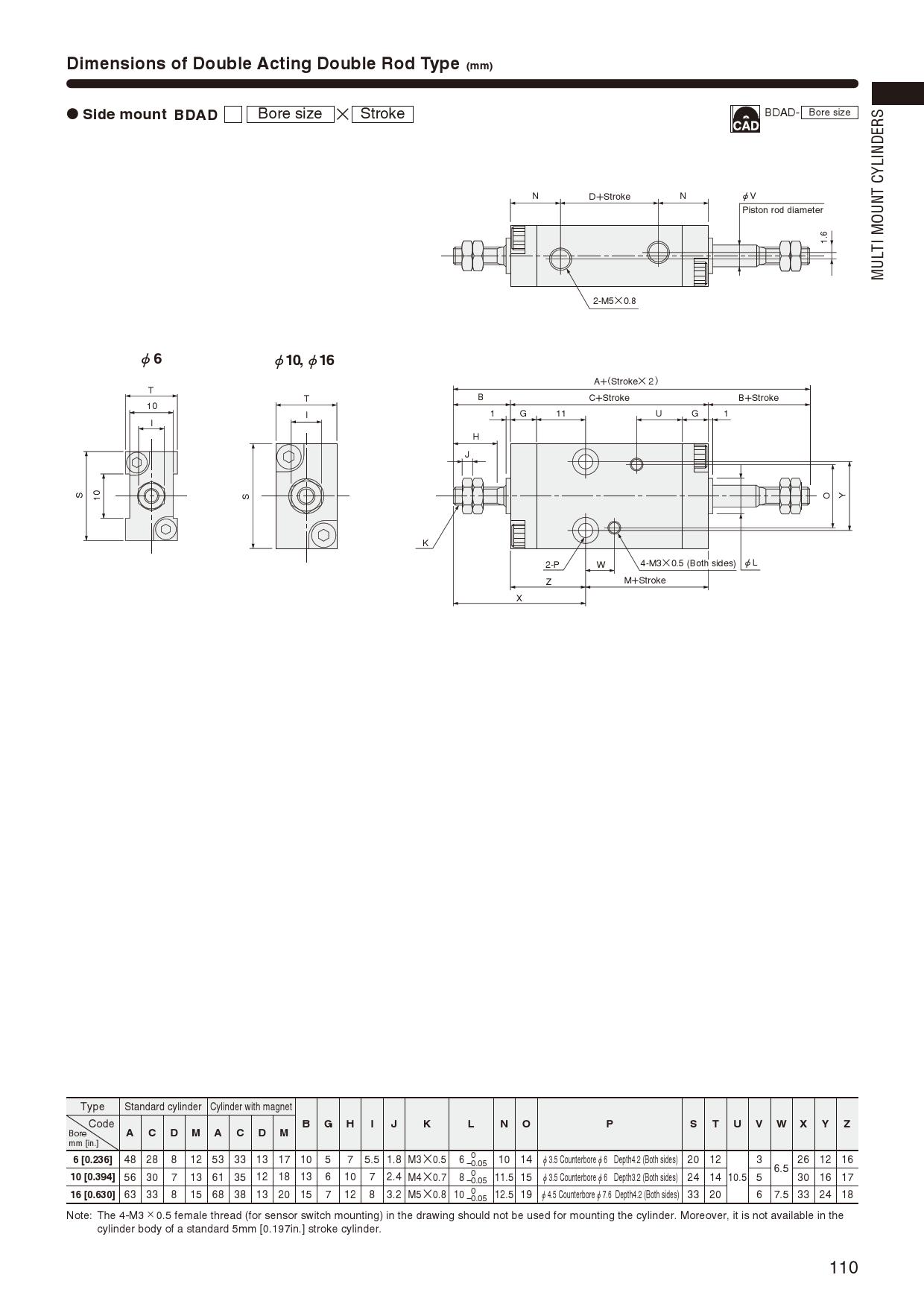
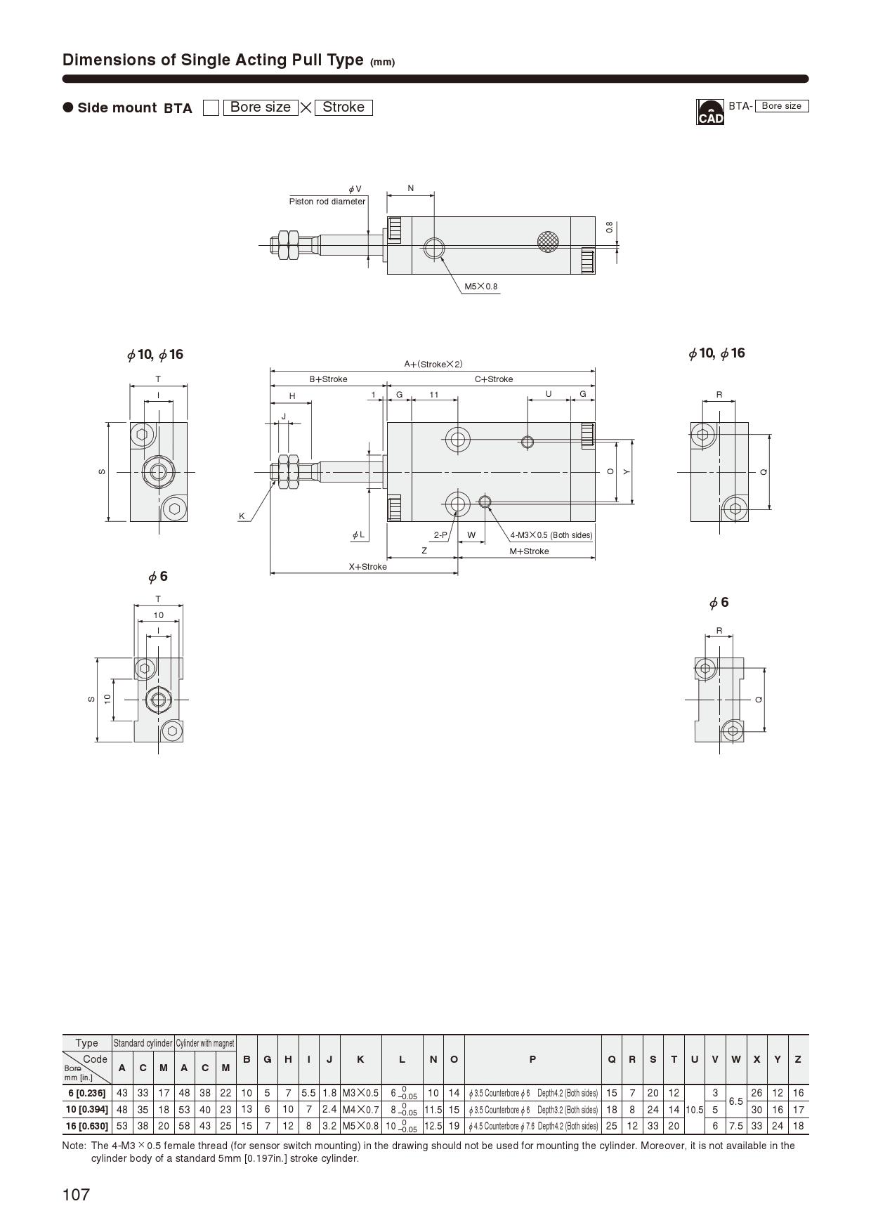
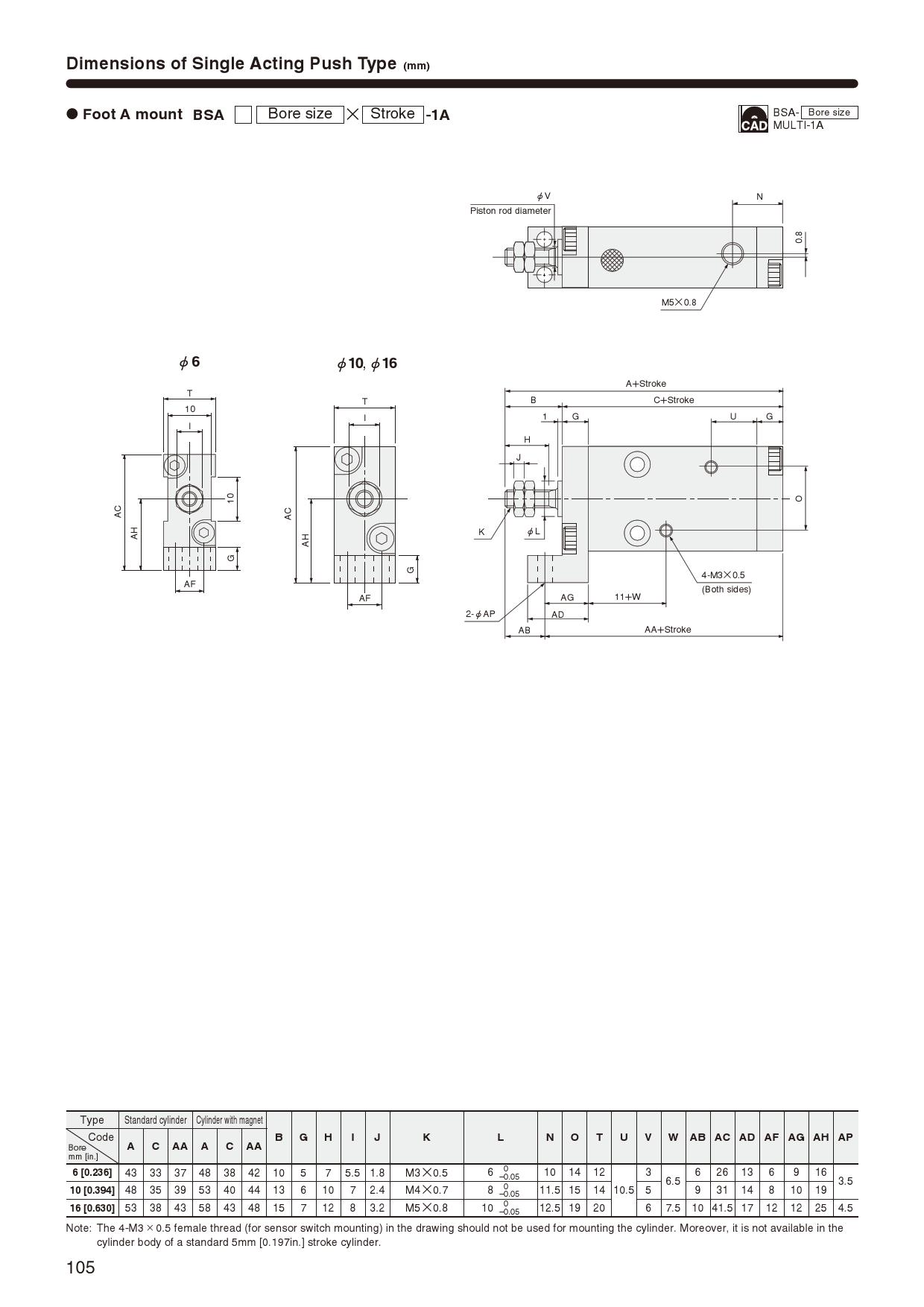
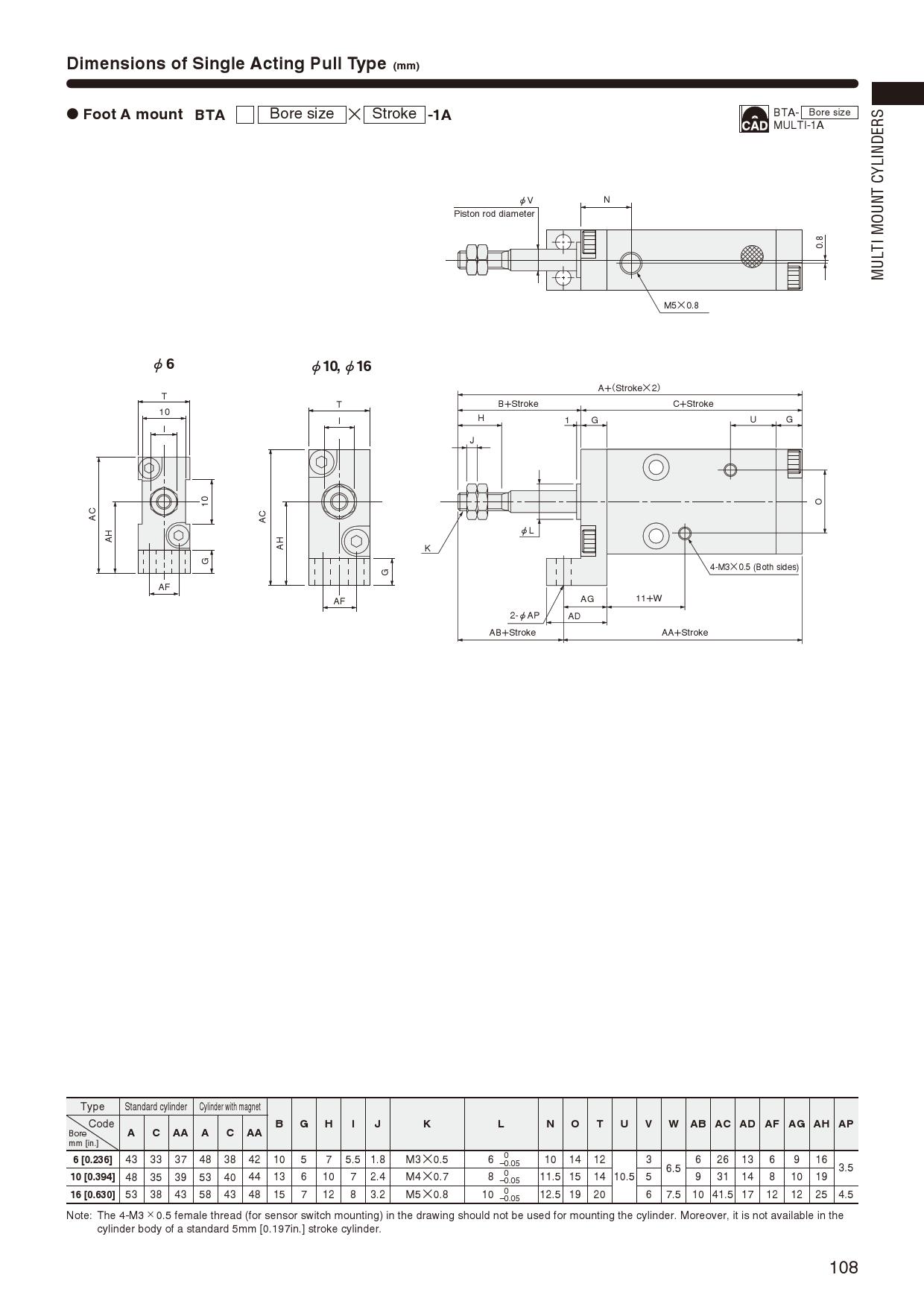
Multi mount cylinders,BTA,BTAS,pull type single acting,single acting pull type
  • Catalog
  • Spec / Format
  •  
  •  
CAD Download