Vacuum round solenoid valve,round solenoid valve,vacuum valve
  • Catalog
  • Spec / Format
  •  
  •  
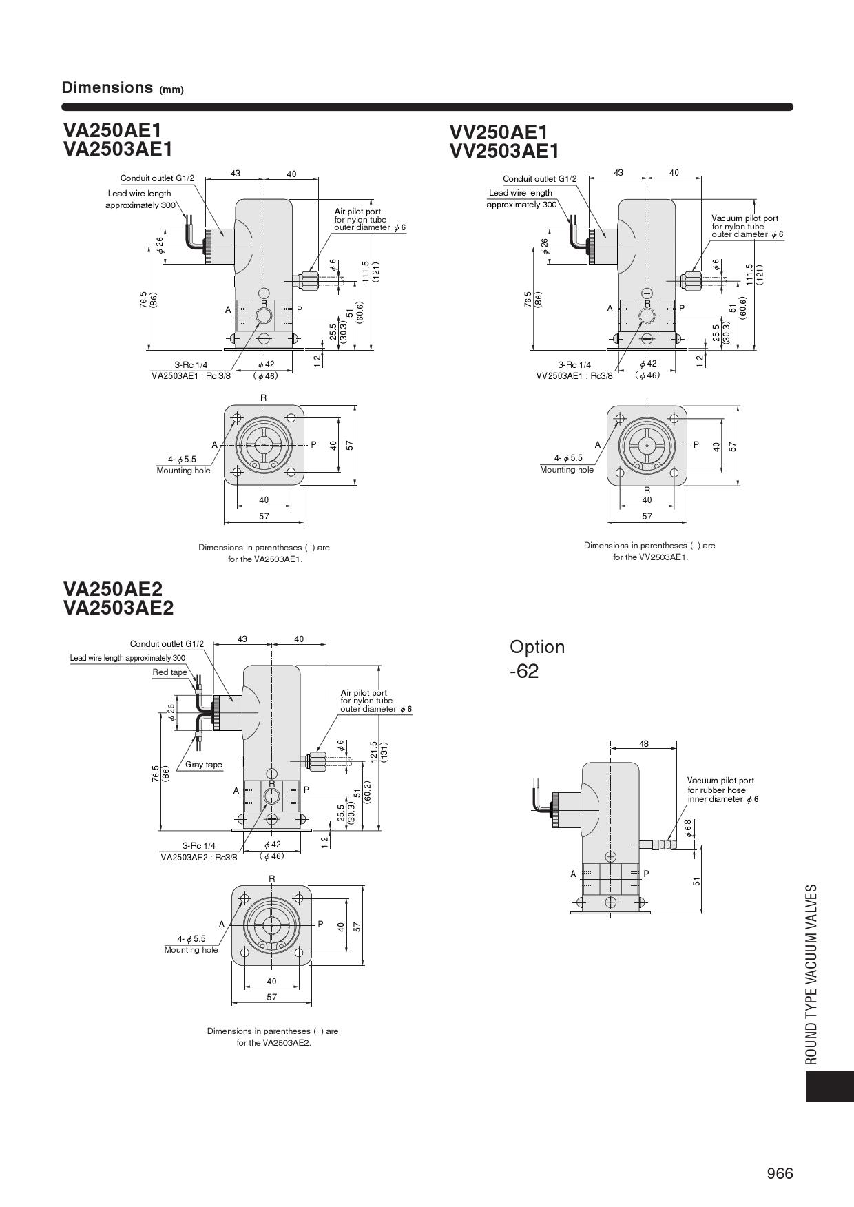
Round type solenoid valve VA250 Series
CAD Download