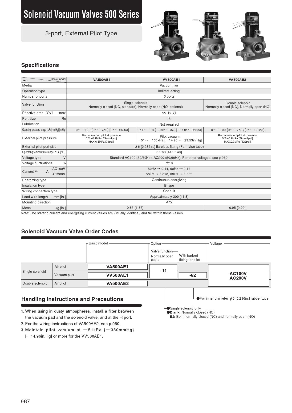
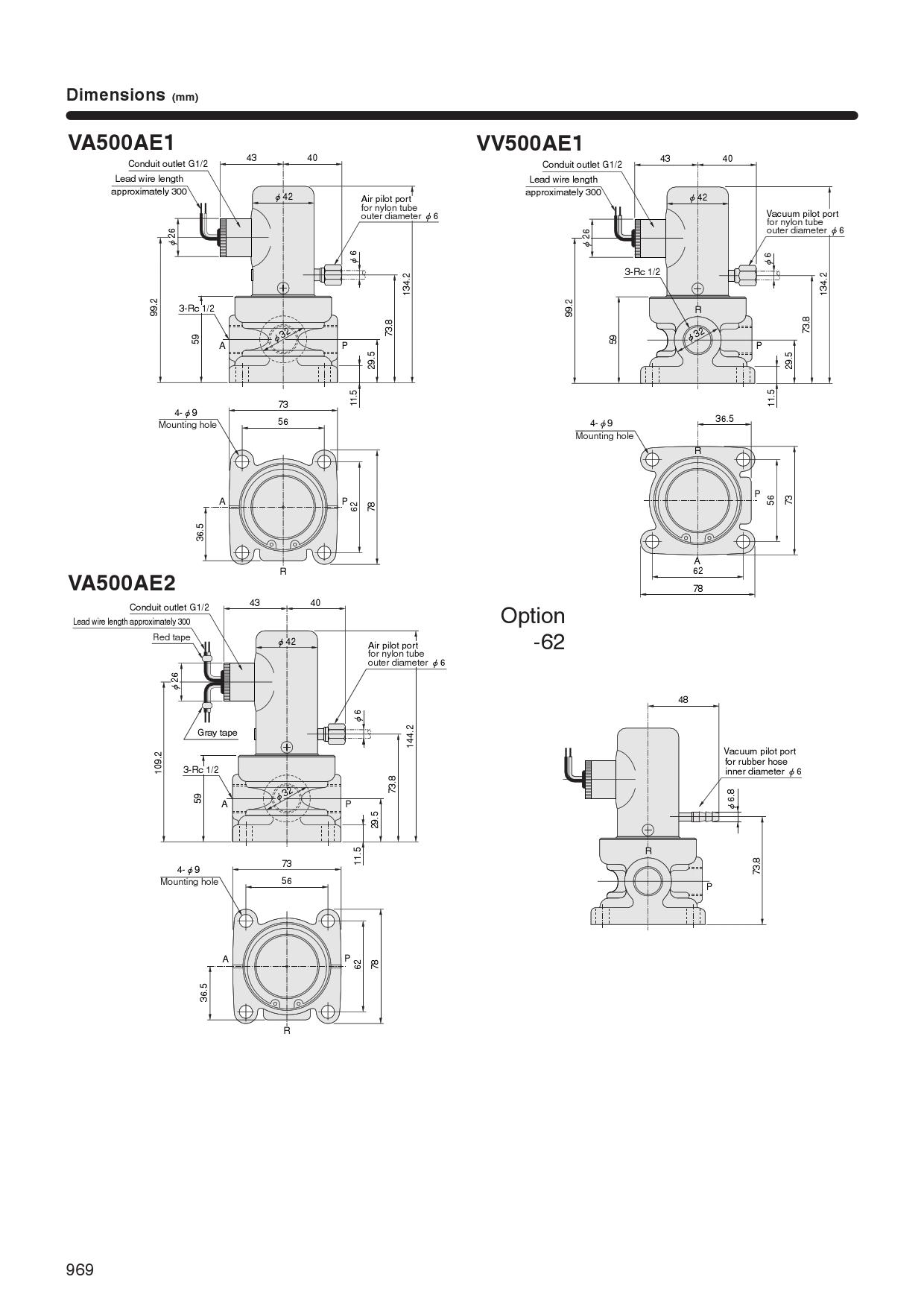
Vacuum round solenoid VA500,vacuum valve,round solenoid valve
  • Catalog
  • Spec / Format
  •  
  •  
Round type solenoid valve VA500 Series
CAD Download