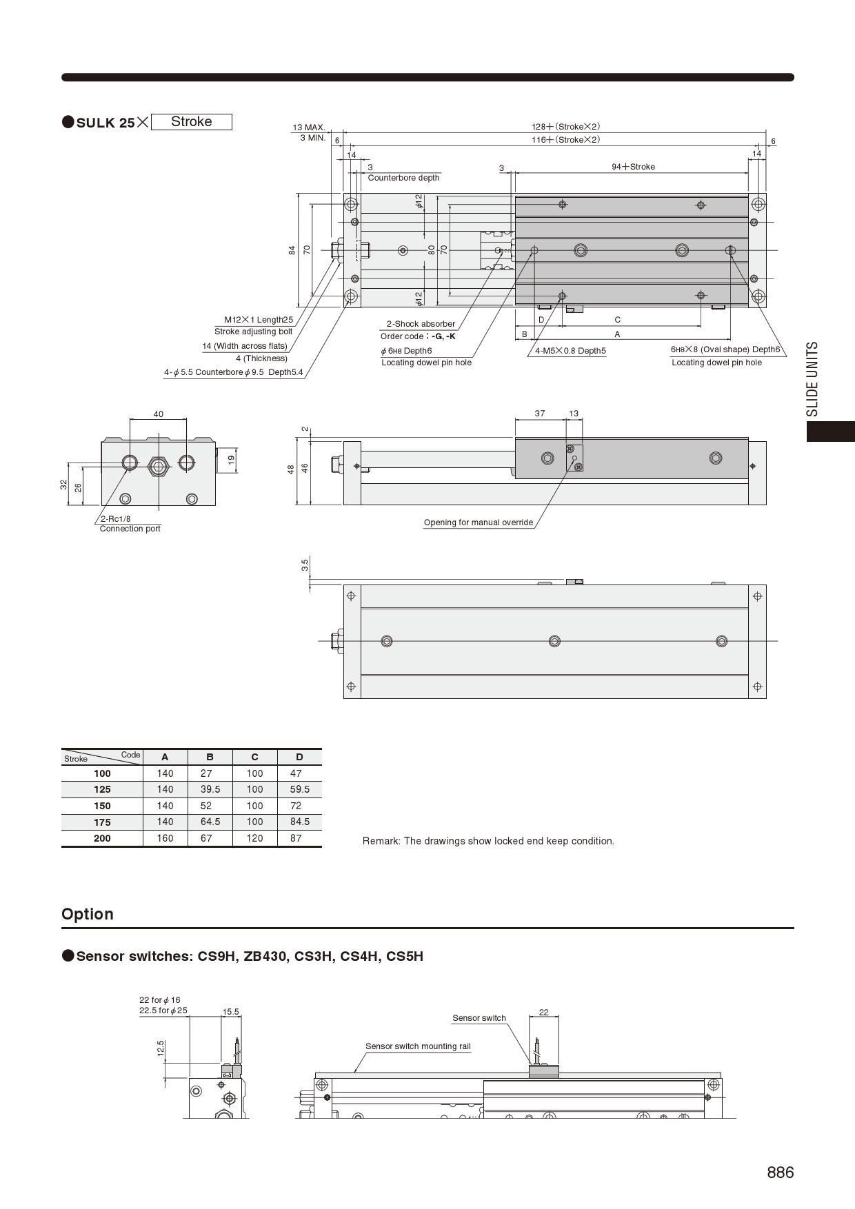
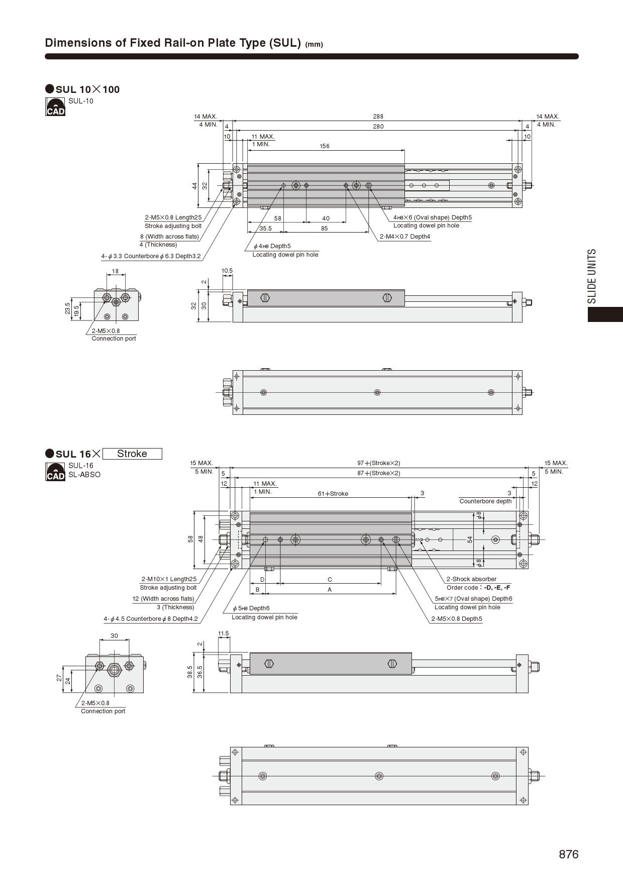
Slide unit,SUT,SUP,SUL,SUTK,SUPK,SUTLK,table
  • Catalog
  •  
  •  
  •  
Slide unit
CAD Download