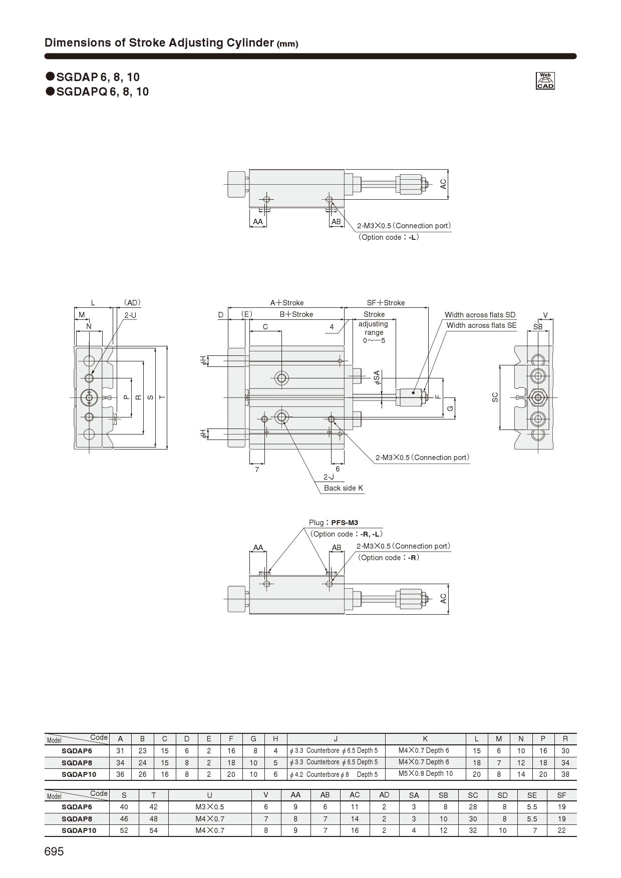
Jig cylinder with guides output side adjustment,SGDAP6,SGDAP8,SGDAP10,stroke adjustment
  • Catalog
  • Spec / Format
  •  
  •  
Stroke adjustment double acting type with guides φ6 [0.236], 8 [0.315], 10 [0.394]
CAD Download