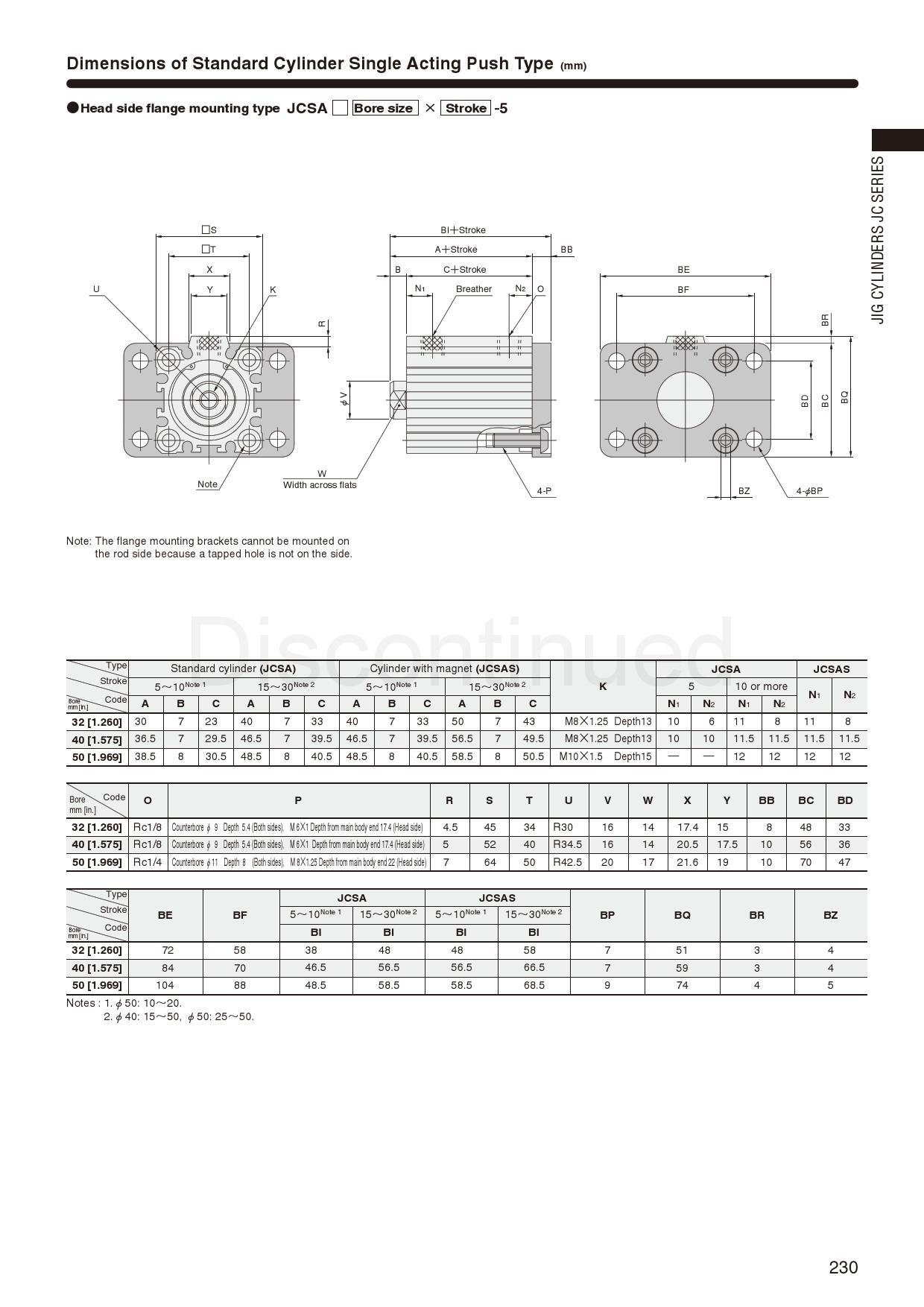
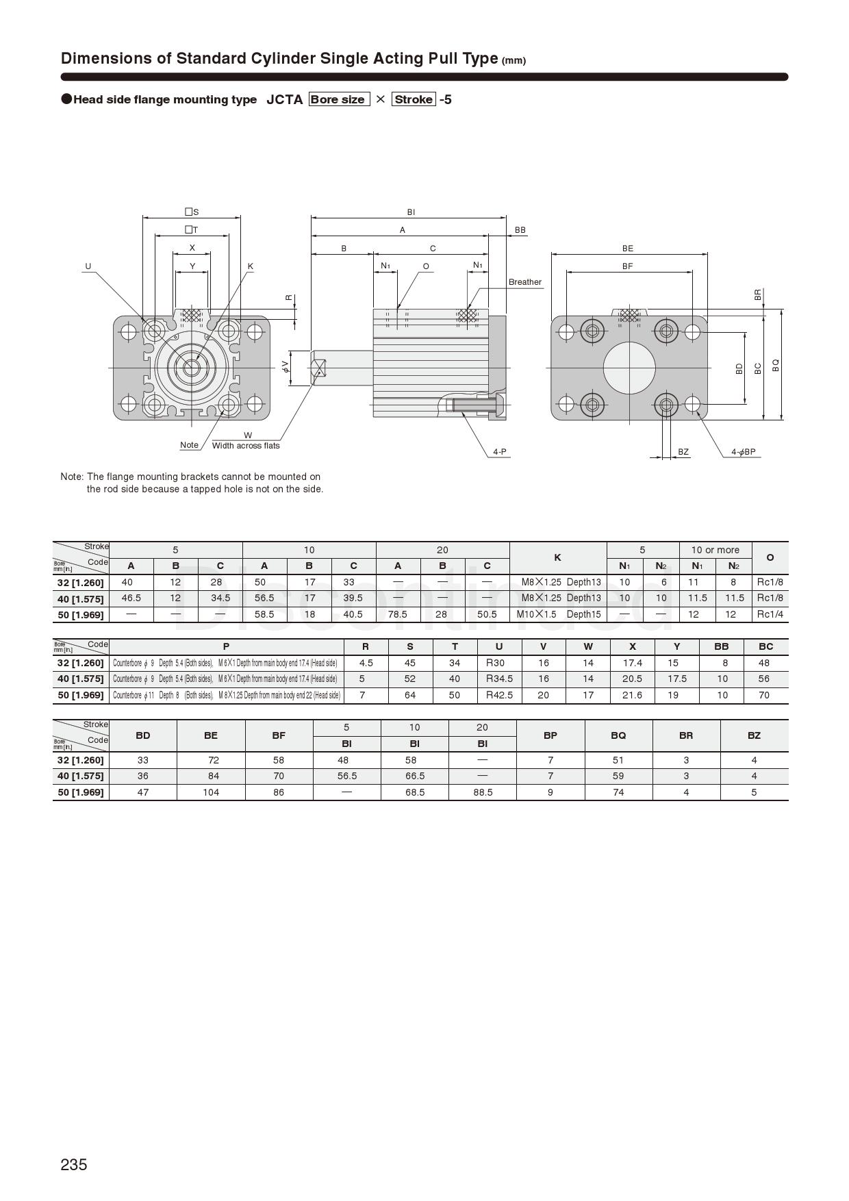
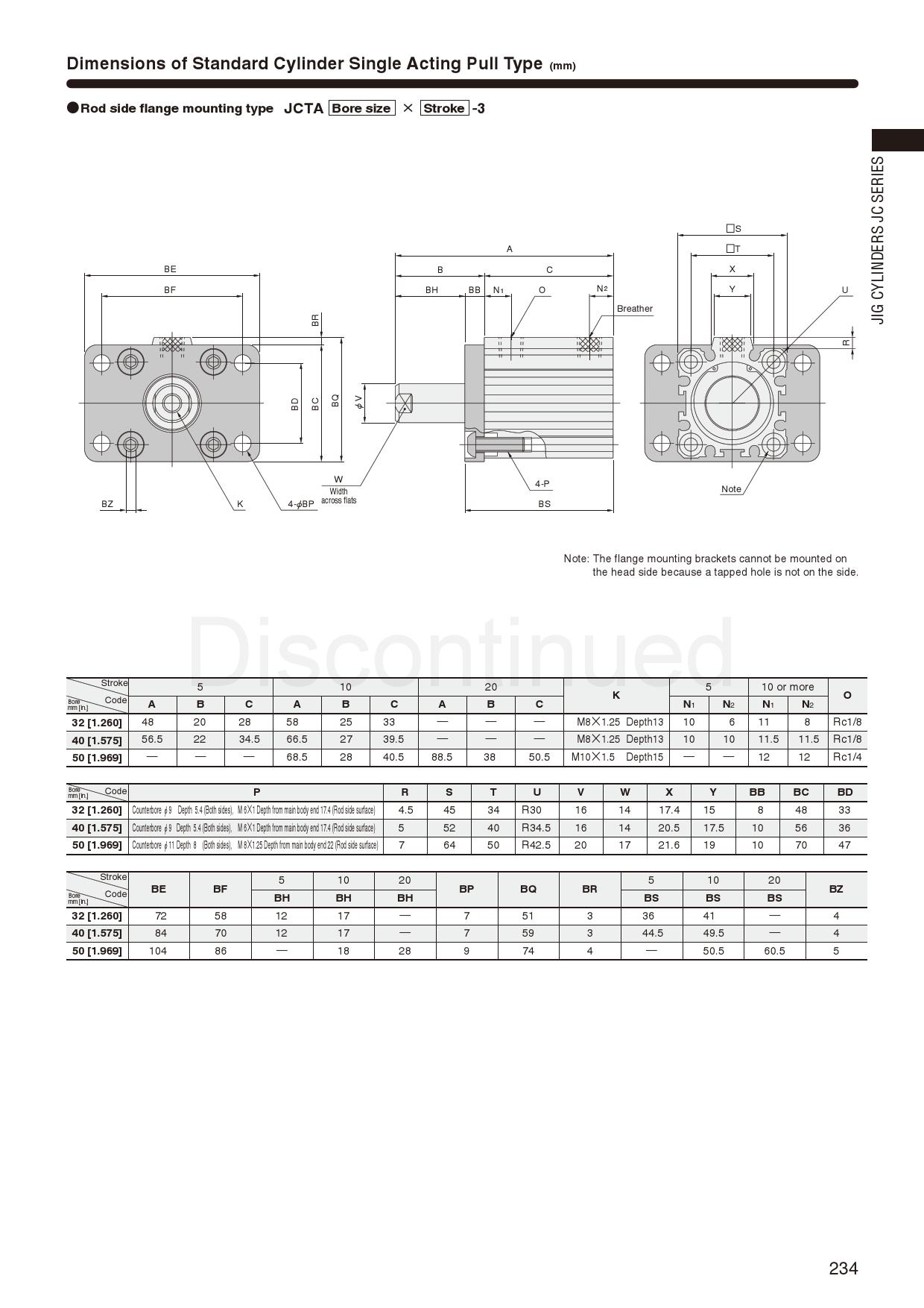
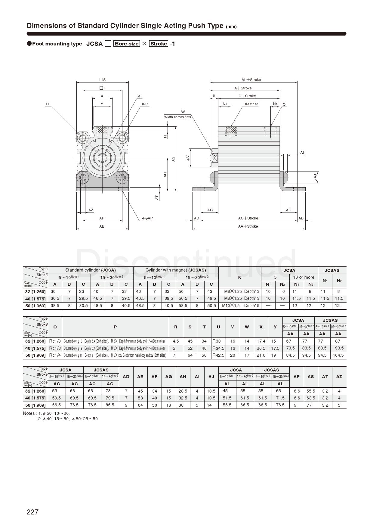
Jig cylinder JC series,JCDA,JCSA,JCTA,JCDAD,JCDAS,JCSAS,JCTAS,1-JCDA,2-JCDA,3-JCDA,N-JCDA,SRK-JCDA,SRK-JCSA,SRK-JCTA,JC jig,jig JC,JC jig,jig JC
形式をクリックするとCADが表示されます。
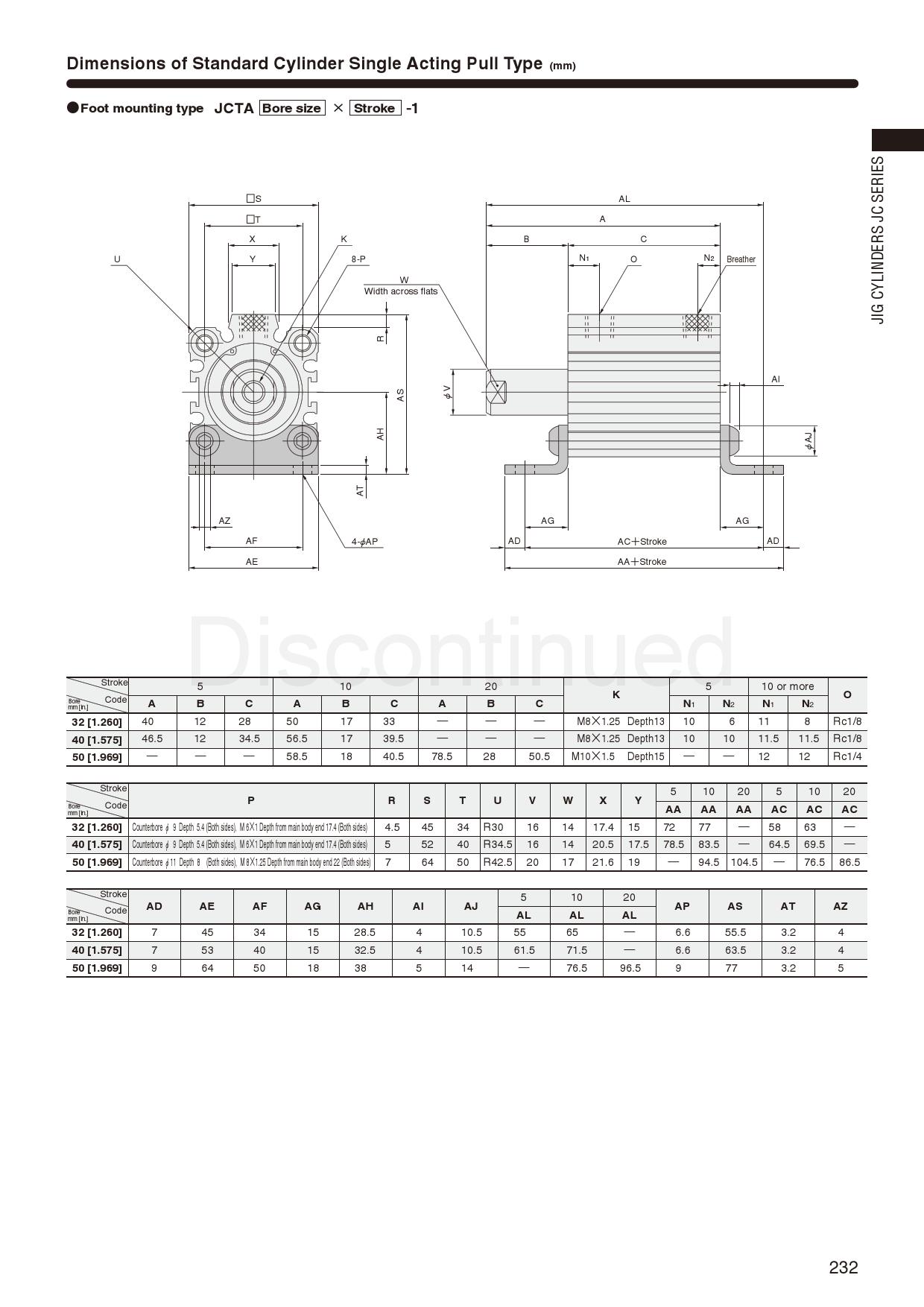
- Discontinued
CAD Download
※Sales of this product has been discontinued.
Go here for substitute (similar) parts.
Go here for substitute (similar) parts.
|
|
|
Quantity
|
|
Standard Unit Price
Production days
Mass of one unit
|
| ※Please note that the estimated shipping time (business days) at the time of purchase differs from the production time. |
|
Quantity
|
|
Standard Unit Price
Production time
Mass of one unit
|
| ※Please note that the estimated shipping time (business days) at the time of purchase differs from the production time. |
|
Quantity
|
|
Standard Unit Price
Production time
Mass of one unit
|
| ※Please note that the estimated shipping time (business days) at the time of purchase differs from the production time. |
|
Quantity
|
|
Standard Unit Price
Production time
Mass of one unit
|
| ※Please note that the estimated shipping time (business days) at the time of purchase differs from the production time. |
|
Quantity
|
|
Standard Unit Price
Production time
Mass of one unit
|
| ※Please note that the estimated shipping time (business days) at the time of purchase differs from the production time. |
Related Products


















