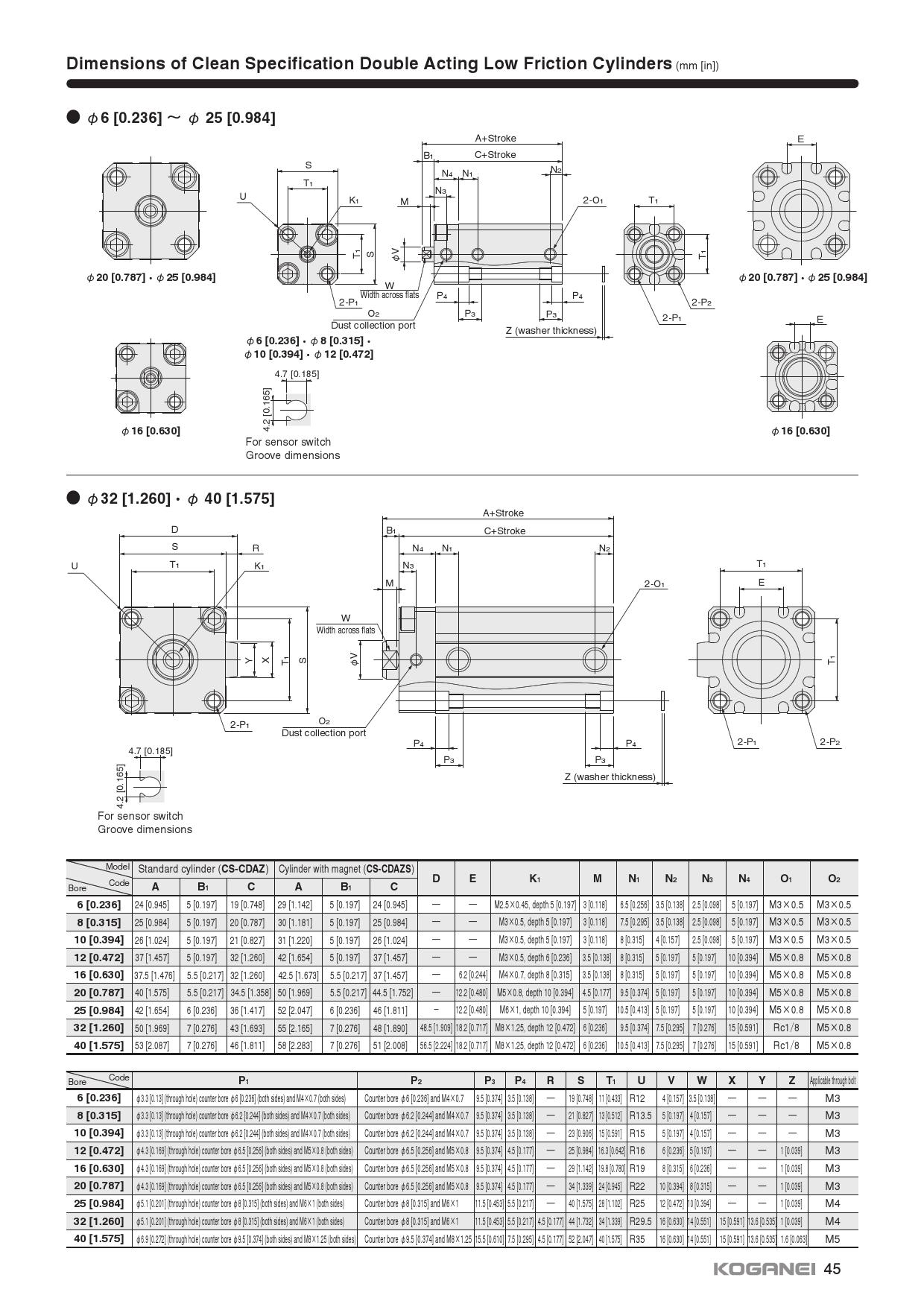
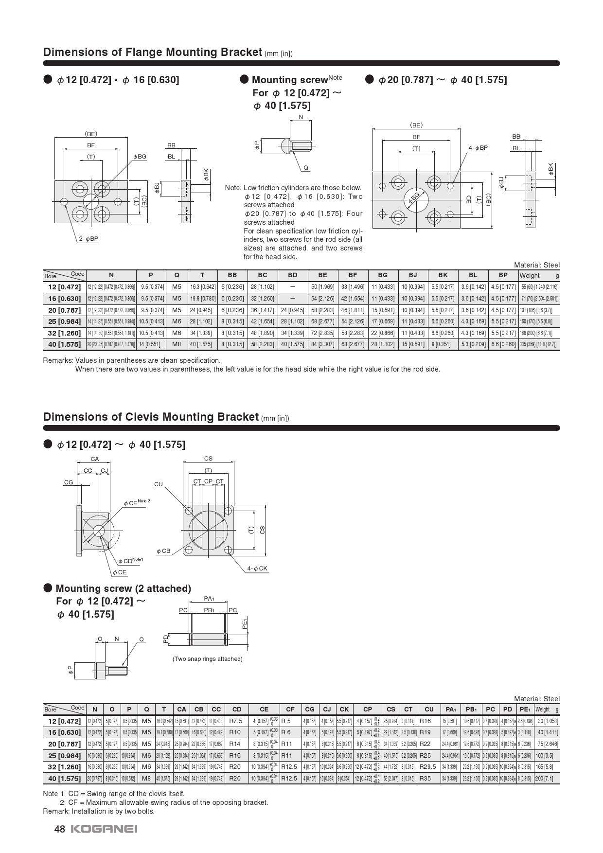
Clean equipment,jig cylinder low friction specification, CS-CDAZ,CS-CDAZS,low friction,C jig,jig C
  • Catalog
  • Spec / Format
  •  
  •  
Jig cylinder low-friction specification CDAZ (clean equipment)
CAD Download