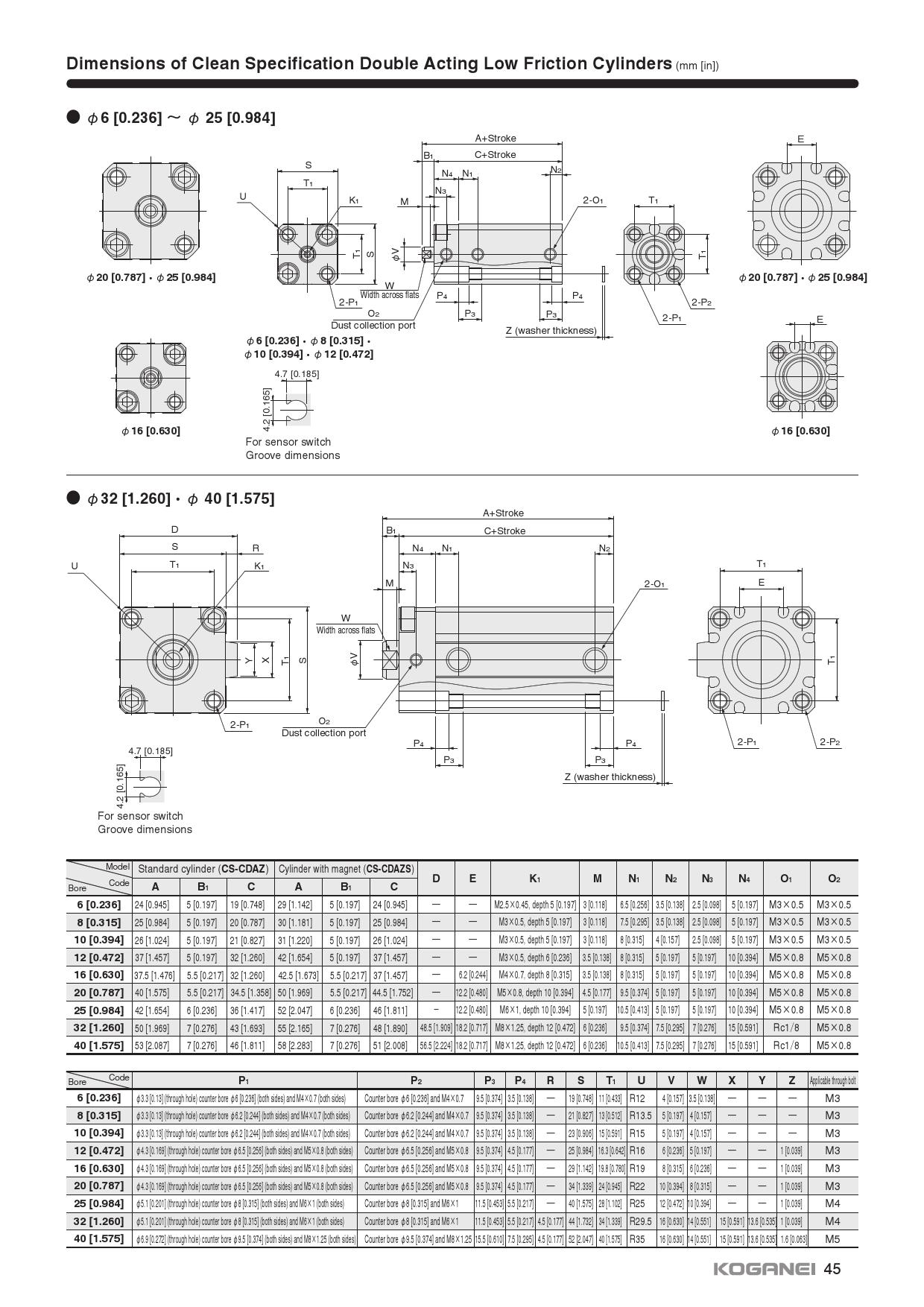
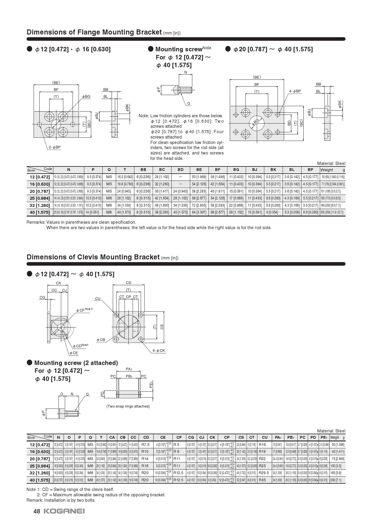
Jig cylinder C series low-friction cylinder,CDAZ,CDAZS,C jig,low abrasion,C jig,jig C
  • Catalog
  • Spec / Format
  •  
  •  
Jig cylinder C series low-friction cylinders
CAD Download