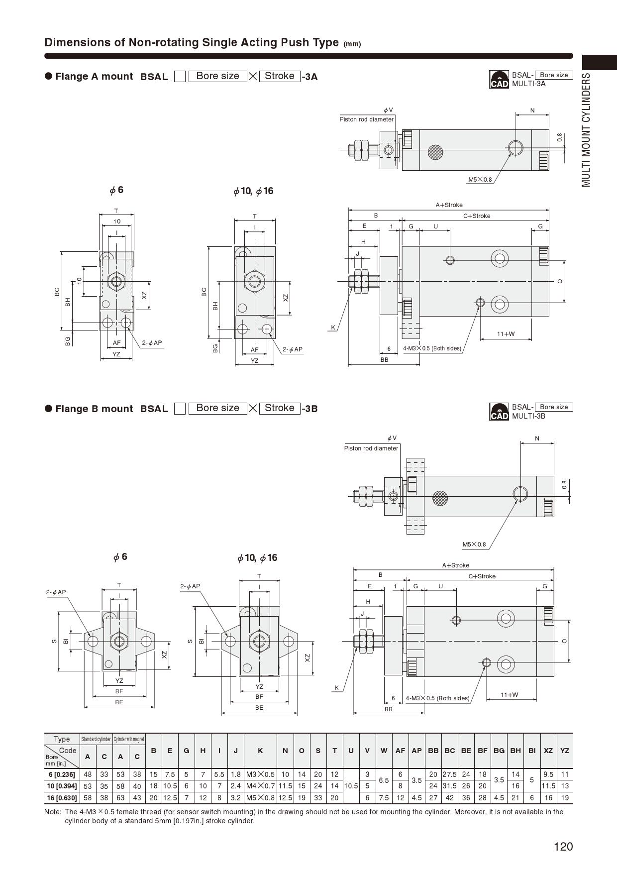
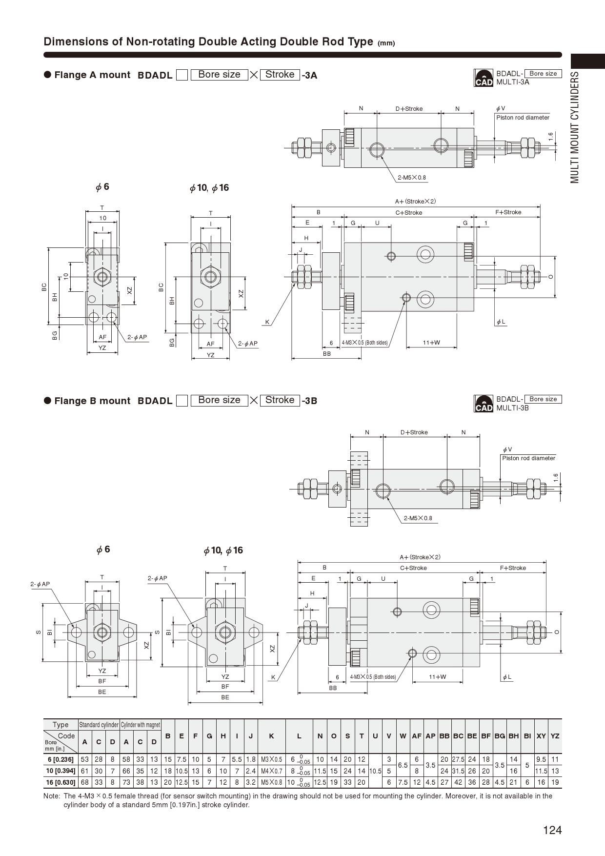
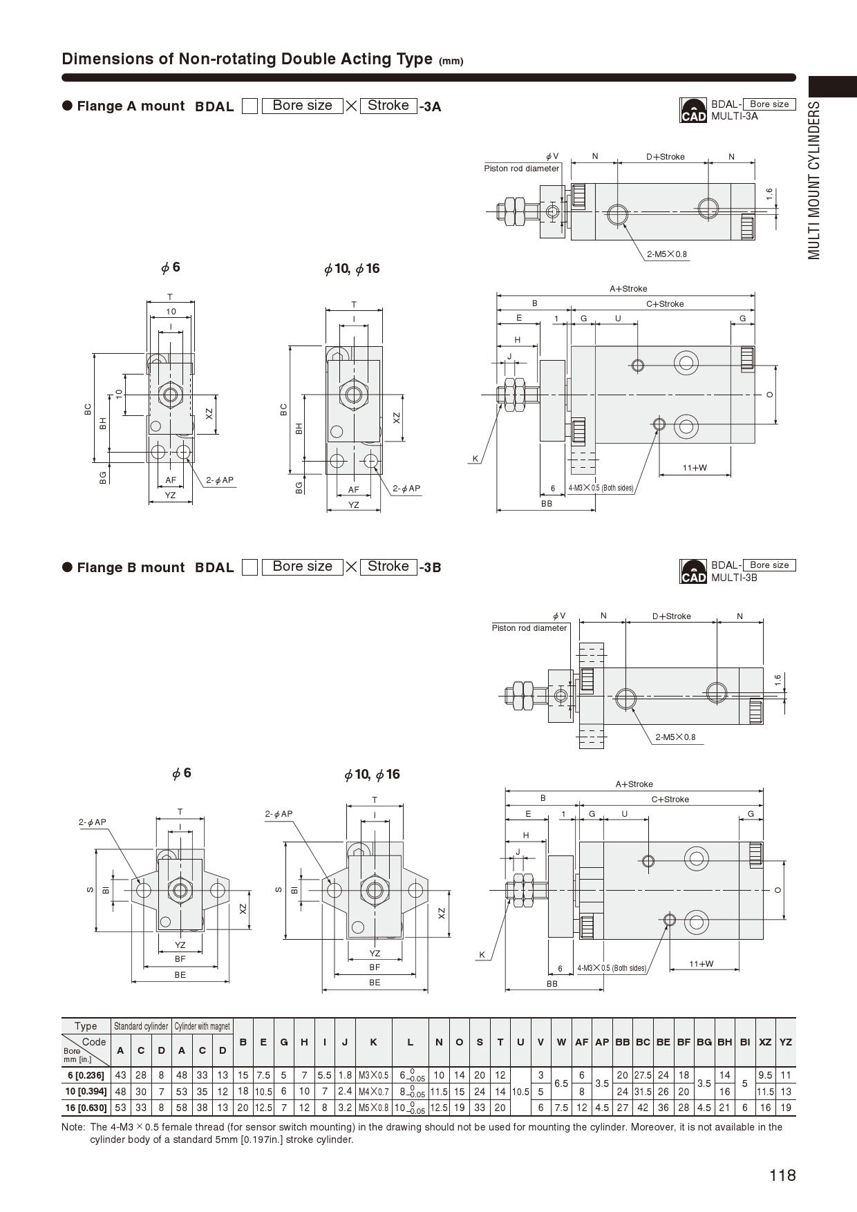
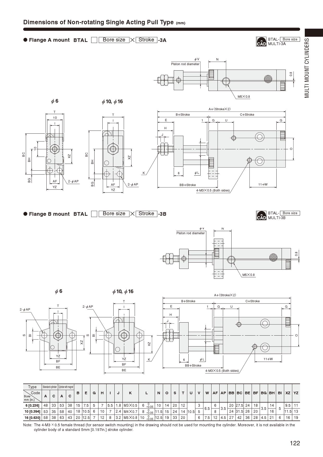
Multi mount cylinder,BTAL,BTALS,non-rotating pull type single acting,single acting pull type
  • Catalog
  • Spec / Format
  •  
  •  
Single acting non-rotating pull type
CAD Download