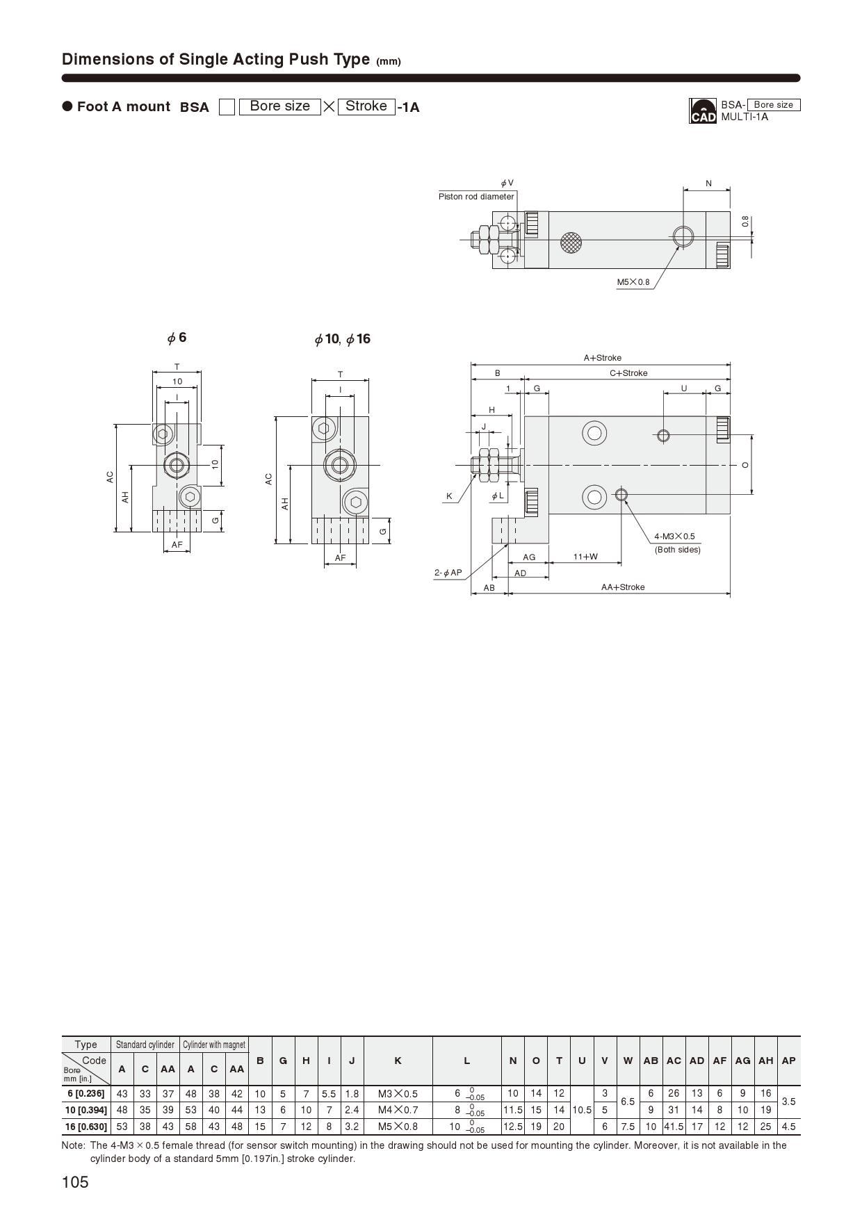
Multi mount cylinder,BSA,BSAS,push type single acting, single acting push type
  • Catalog
  • Spec / Format
  •  
  •  
Single acting push out type
CAD Download