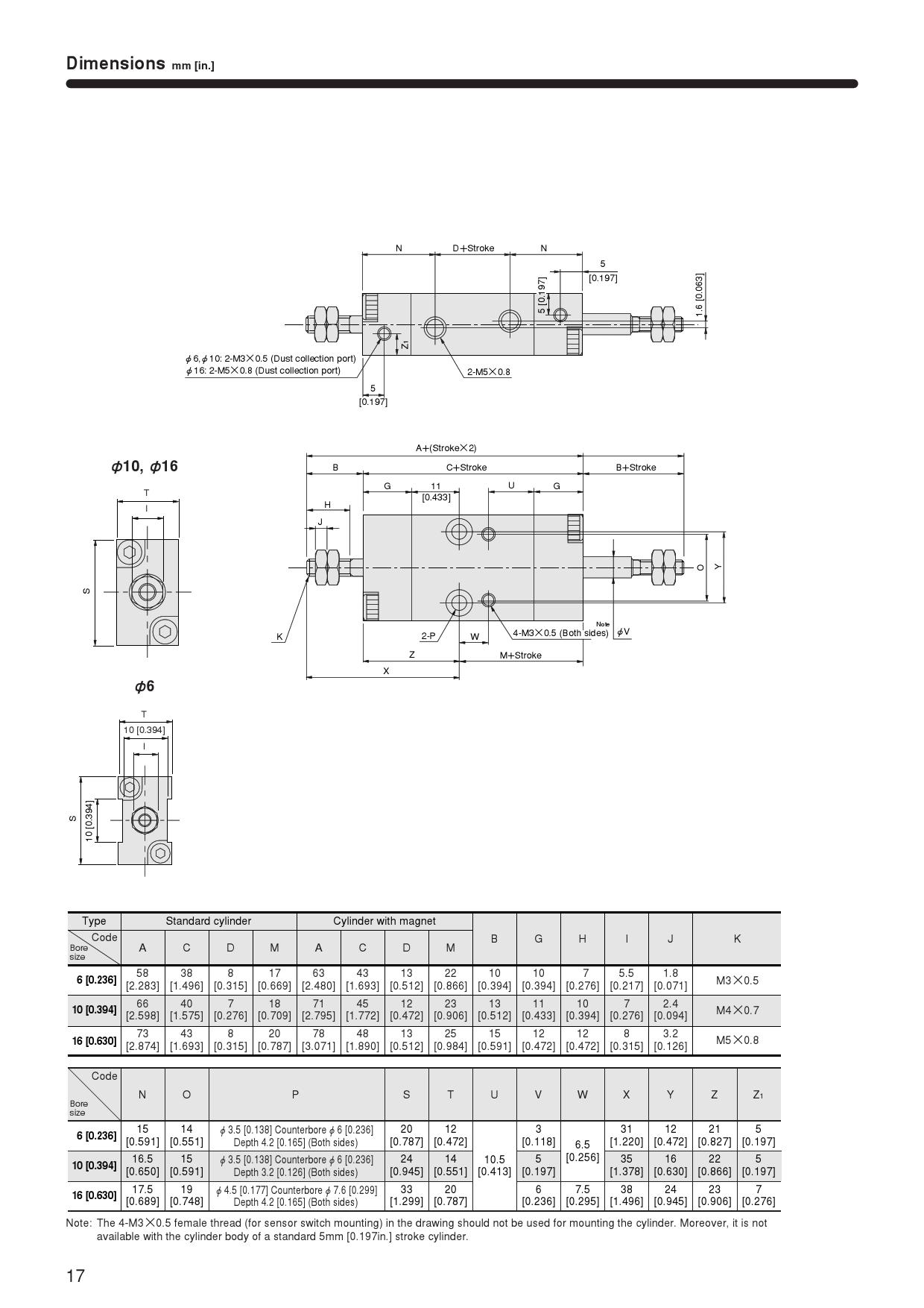
Clean equipment,multi mount cylinder,CS-BDAD,CS-BDADS,double rod,double rod
  • Catalog
  • Spec / Format
  •  
  •  
Double acting double rod type
CAD Download