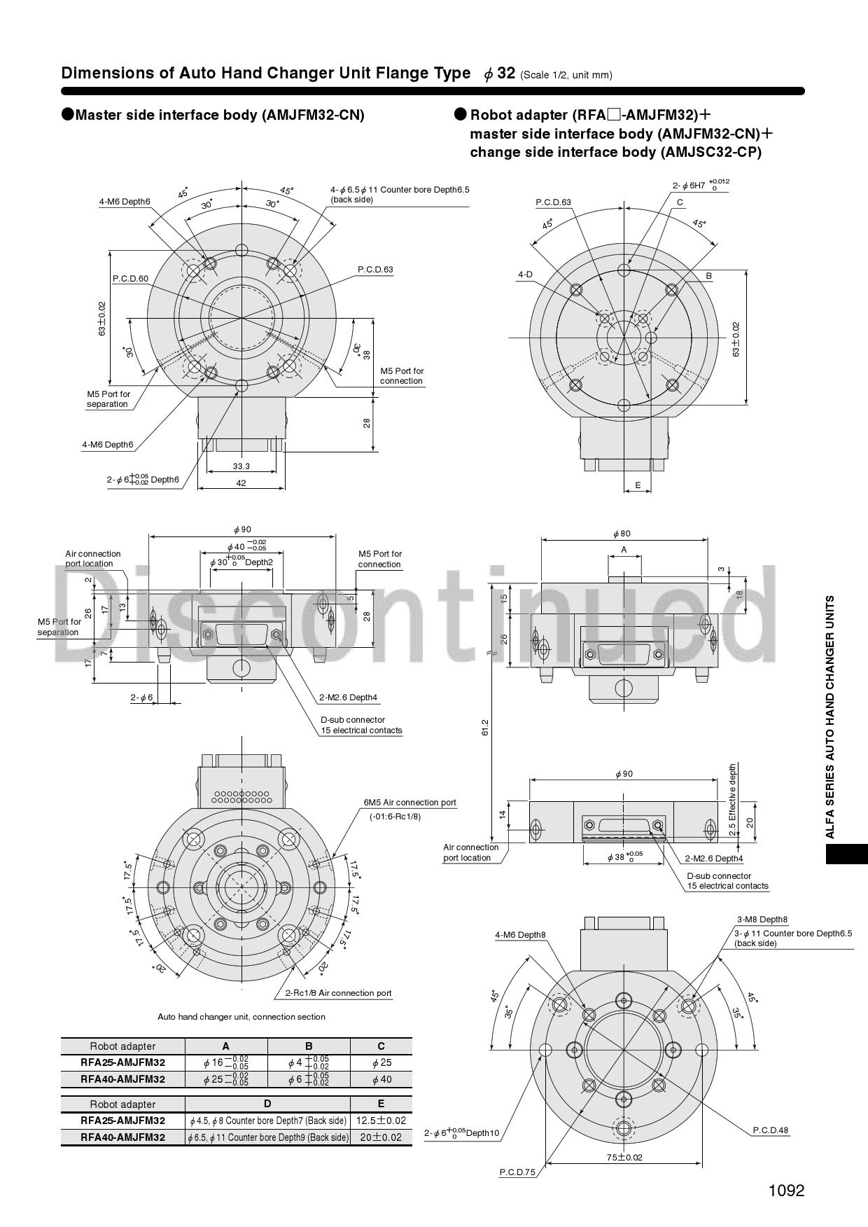
Auto hand changer unit,AMJS,AMJF,hand changer,AMJSM,AMJSC,CN-AMJSM,CP-AMJSM,CN-AMJSC,CP-AMJSC,RSA8,RSA10,RSA11,RSA13,RSA14,RSA15
形式をクリックするとCADが表示されます。
- Discontinued
AUTOHAND_discon
- Catalog Display Page(PDF)
- Catalog All series(PDF)
- ===== The following materials =====
CAD Download
※Sales of this product has been discontinued.
|
|
|
Quantity
|
|
Standard Unit Price
Production days
Mass of one unit
|
| ※Please note that the estimated shipping time (business days) at the time of purchase differs from the production time. |
|
Quantity
|
|
Standard Unit Price
Production time
Mass of one unit
|
| ※Please note that the estimated shipping time (business days) at the time of purchase differs from the production time. |
|
Quantity
|
|
Standard Unit Price
Production time
Mass of one unit
|
| ※Please note that the estimated shipping time (business days) at the time of purchase differs from the production time. |
|
Quantity
|
|
Standard Unit Price
Production time
Mass of one unit
|
| ※Please note that the estimated shipping time (business days) at the time of purchase differs from the production time. |
|
Quantity
|
|
Standard Unit Price
Production time
Mass of one unit
|
| ※Please note that the estimated shipping time (business days) at the time of purchase differs from the production time. |
Related Products


















