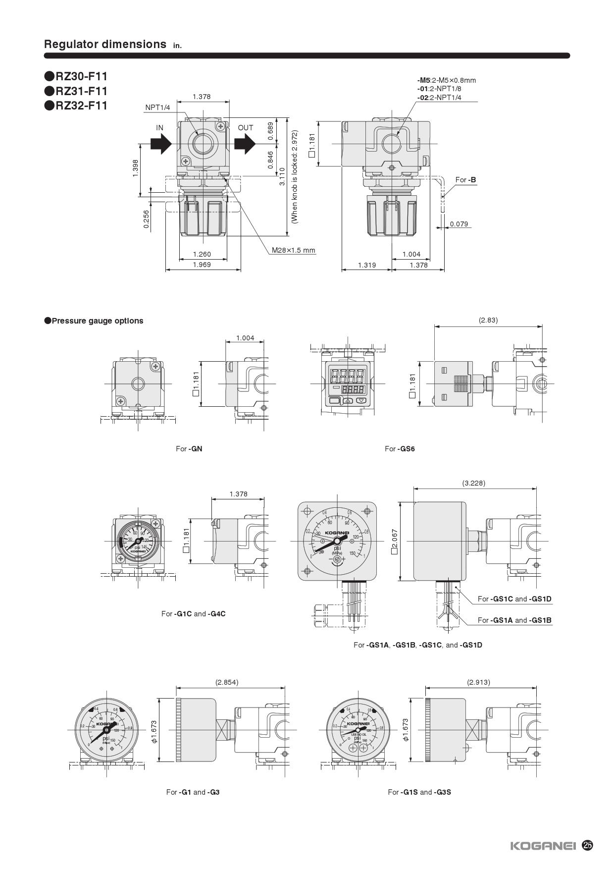
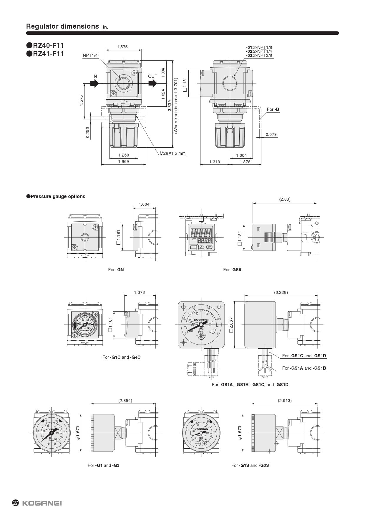
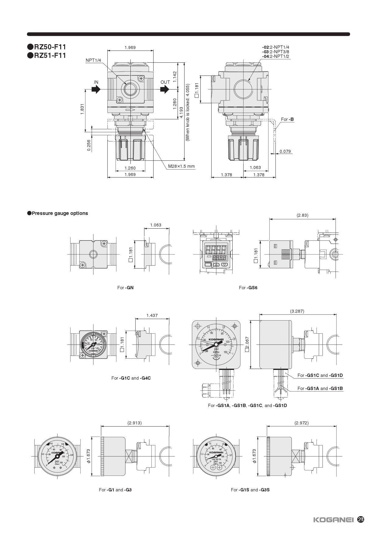
FRZ Series,Filter Regulator,NPT,
形式をクリックするとCADが表示されます。
- Catalog
- Spec / Format
RZ Regulator (NPT thread , psi Gauge)
- Catalog Display Page(PDF)
- Catalog Displayed Products(PDF)
- Catalog All series(PDF)
- ===== The following materials =====
- koganei_safety_precautions
CAD Download
※NPT thread , psi Gauge Please be sure to select the "-F11" is .
|
|
|
Quantity
|
|
Standard Unit Price
Production days
Mass of one unit
|
| ※Please note that the estimated shipping time (business days) at the time of purchase differs from the production time. |
|
Quantity
|
|
Standard Unit Price
Production time
Mass of one unit
|
| ※Please note that the estimated shipping time (business days) at the time of purchase differs from the production time. |
|
Quantity
|
|
Standard Unit Price
Production time
Mass of one unit
|
| ※Please note that the estimated shipping time (business days) at the time of purchase differs from the production time. |
|
Quantity
|
|
Standard Unit Price
Production time
Mass of one unit
|
| ※Please note that the estimated shipping time (business days) at the time of purchase differs from the production time. |
|
Quantity
|
|
Standard Unit Price
Production time
Mass of one unit
|
| ※Please note that the estimated shipping time (business days) at the time of purchase differs from the production time. |
Related Products


















